It Heechein leit lykas de Dringelstrjitte oan de râne fan de tsjerketerp en is oanlein op de âlde Slachte. Hjir sille yn it begjin fan de delsetting tusken boerepleatsen al huzen boud wêze. yn 1489 is sprake fan "hwsen ende steden, lidszende in Ackeremmabwren" en dat sil sûnder mis ek op it Heechein doele. It Heechein wie letter it plak, der't de hearehuzen fan de keaplju en de notabelen boud waarden. (Ut Toponymy fan Akkrum en Nes fan Merten Bakker. 1982).

     Het Heechein ligt net als de Dringelstrjitte aan de rand van de kerkterp en is aangelegd op de oude Slachte. Hier zal in het begjin van de nederzetting tussen boerderijen al huizen geboud zijn. In 1489 is sprake van "hwsen ende steden, lidszende in Ackeremmabwren" en daar zal ongetwijfeld ook  het Heechein be-doelt worden. Het Heechein was later de plek, daar de de herenhui- zen van de kooplui en de nota-belen geboud werden. (Uit Toponymy fan Akkrum en Nes fan Merten Bakker. 1982).



Boppe: It Heechein fan om 1895 hinne.            Boven: It Heechein van rond 1895.

Boppe-boven: Familie van der Leen, manufacturen, hoeden en petten. (2021) Boekhandel Friso.

     Boppe; It Heechein mei it bushokje om 1957 hinne fan © Klaas Ratsma. 

     Boven: Het Heechein met het bushokje uit ongeveer 1957 van © Klaas Ratsma.


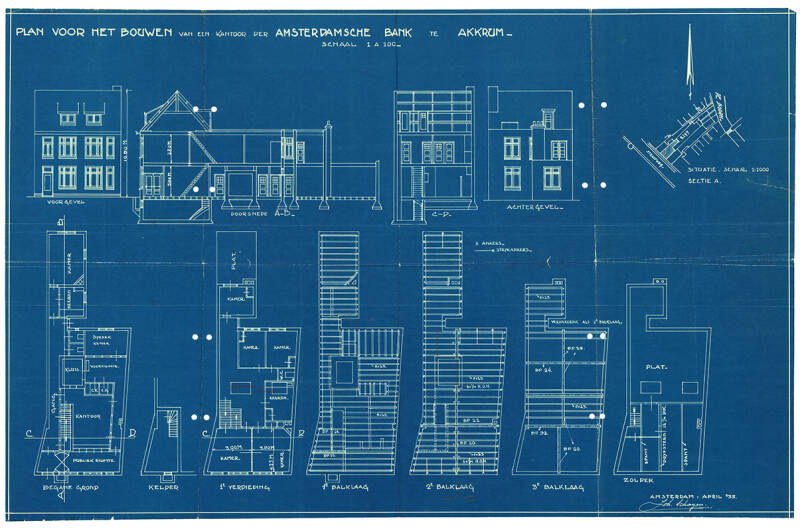
Hjir neist de húsnûmering fan Stifting Welgelegen.

Under-onder Stifting Welgelegen 1934.

  Boppe-boven: De (ver) bouwtekening Heechein 5-23, Stichting Welgelegen.

Boppe: yn 1984 is de ringmuorre njonken it Teehûs wer oplutsen ta de oarre hichte.

Boven: Yn 1984 is de ringmuorrenaast hettheehuis, weer opgetrokken tot de oude hoogte.



     Boppesteand de buorkerij fan Kerst Hijlkema oan it Heechein. Dêr ûnder de achterkant mei it rûne 'kowerútsje mei stjer. Wa wyt wat der de betsjutting fan is?

     Bovenstaand de boerderij van Kerst Hijlkema aan it Heechein. Daaronder de achterkant mei het koeienvenster met ster. Wie weet wat daar de betekeninis van is?

                         Boppe-boven: Leeuwarder Courant 23 september 1977. 


Boppe: Heechein (1934) sjoen fanút de tsjerketoer. Boven: Heechein (1934) gezien vanuit de kerktoren.

     Boppe: De (fer)boutekening fan de wurkpleats foar dhr K. Wiersma, yn 1917. (Heechein 20).

     Boven: De (ver)bouwtekening van de werkplaats voor dhr. K. Wiersma, in 1917. (Heechein 20).

     Boppe: De (fer)boutekening fan it winkelpand fan K. Ratsma, yn 1926. (Heechein 24).

     Boven: De (ver)bouwtekening van een winkel-pand van K. Ratsma, in 1926. (Heechein 24).


Boppe: De (fer)boutekening fan in winkelpand fan molkboer Pier de Vries, yn 1952.

Boven: De (ver)bouwtekening van een (achter de boom)

Boppe: De (fer)boutekening fan in winkel-wenhus fan H.W. Canninga, yn 1976.

Boven: De (ver)bouwtekening van een winkel-woonhuis van H.W. Canninga in 1976, in 1952.

     Boppe: De (fer)bou-tekening fan in pand yn 1918.

     Boven: De (ver)bouw-tekening van een pand  in 1918.



Boppe: It Heechein om 1925 hinne.                     Boven: It Heechein ongeveer 1925.


     Boppe: De brân fan de van der Vegt (Römer) pleats yn 1915.

     Boven: De brand van der Vegt (Römer) boerderij in 1915.

  Boppe-boven: Ontwerp eener boerderij, eigen aan mej. S.R. van der Vegt in 1915. (Heechein 66).

Boppe; Mei de autoped Roel Haaijes (fan kapper Haaijes) en dêr achter zijn neef Jaap Jongedijk.

Boven; Met de step Roel Haaijes (van Kapper Haaijes) en er achter zijn neef Jaap Jongedijk.

 

    Boppe: Meiwurkers fan it distrybuusje sintrum oan it Heechein. 1. Niesje de Jong-Mink, 5. Rinske Haaijes-Jongedijk?, 8. Aaltje Ruiter Slange, 9. Pietsje Wiersma, 12. Gerrit van Veen, 13. Frits Bandsma.

    Boven: Medewerkers van het distributie centrum aan het Heechein. 1. Niesje de Jong-Mink, 5. Rinske Haaijes-Jongedijk?, 8. Aaltje Ruiter Slange, 9. Pietsje Wiersma, 12. Gerrit van Veen, 13. Frits Bandsma.


   2008

     Ha jo noch fragen, op- of oanmerkingen, folje dan neiststeand formulier yn en klik op 'Verzenden'.

     Heeft u nog vragen, op- of aanmerkingen, vul dan naaststaand formulier in en klik op 'Verzenden'.